易造新闻
浪涌保护器如何接线?厂家技术解答-易造防雷
浪涌保护器(SPD)在电气系统中扮演着至关重要的角色,保护设备免受电压浪涌和过电压的影响。正确的接线是确保浪涌保护器有效工作的关键。近日,有客户联系我们说不清楚浪涌保护器如何接线,为此,本文将介绍交流、直流和信号浪涌保护器的不同接线方式以及安装时需要注意的事项。
一、交流浪涌保护器的安装方式
1. 单相系统SPD的安装
单相浪涌保护器有3个接线口(L、N、PE),分别是连接单相系统的火线,零线和地线,如下图所示,其中SSD是指浪涌专用后备保护器。

2. 三相系统SPD的安装
三相电系统包括TT系统、TN系统和IT系统,TN系统又包括TN-C系统和TN-S系统,不同系统的接线方式会不一样,对于TT系统、TN-S系统和有中性线的IT系统应安装有5个接线口(L1、L2、L3、N、PE)的SPD,TN-C系统和无中性线的IT系统应安装有4个接线口(L1、L2、L3、PEN或PE)的SPD,具体接线方式如下图所示

二、直流SPD的安装
直流SPD的接线方式也很简单,只有3个接线口(V+、V-、PE),分别接于直流系统的正极,负极和地线,如下图所示:

三、信号SPD的安装方式
信号SPD的安装不同于交流和直流的地方是信号SPD是串联于线路中,实现高低频,单双对线的全模保护模式。
1. 控制信号SPD的安装
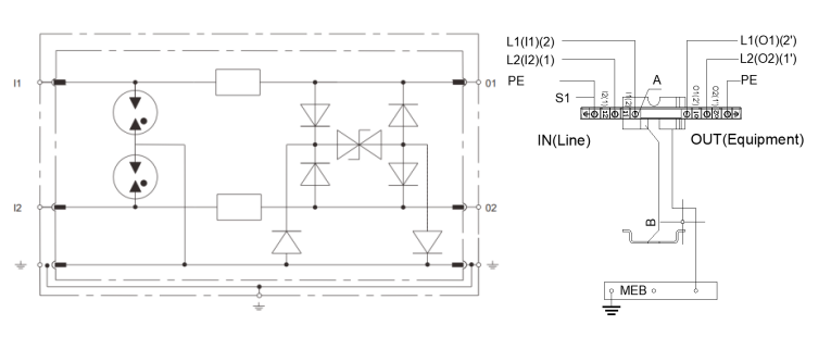
控制信号SPD是在一端输入,一端输出的连接方式安装于线路上的,此处以2线制为例,共有五个接线口(I1、I2、O1、O2、PE),I1和I2是输入端,O1和O2是输出端,PE接地。具体原理图和安装如下图所示;

2. 网络信号SPD的安装
网络信号无疑指的就是网线线路的保护,网络SPD也是串联在网线线路中,他有3个接线口(RJ45输入端、RJ45输出端,PE),网线通过RJ45接口连接方式插入SPD两端,网线为8线制,故从网络SPD原理图中可以看出有8条线路的输入通道,具体原理图和安装图如下图所示:

四、浪涌保护器的安装注意事项
1.在安装浪涌保护器之前,务必确保断开电源,以免触电事故发生。
2.安装SPD时,确保接线总长度不超过0.5米,或者采用凯文的接线方式。
3.在安装过程中,根据SPD的等级选择合适的连接线径。
4.接线时应注意接线端子的固定,确保连接牢固稳定,避免接触不良等问题
5.SPD必须确保充分接地,否则尽管安装了SPD也不会起到防雷的作用。

综上所述,通过本文我们了解了浪涌保护器的接线方法以及提供的接线图,希望能够对您正确安装浪涌保护器提供帮助。为了保证电器设备的安全运行,建议按照说明书和相关标准进行操作,确保接线正确可靠。
-End-
易造防雷浪涌保护器的主要优势:
易造复合型防雷电源SPD专用浪涌保护器,20年设计寿命,一体式组合低压电源防雷器小体积大通流,低残压、高TOV耐受1800V;MG串联技术,0漏流0续流;密封结构无外泄电弧,不起火。
易造三相、单相、混合型防雷浪涌模块采用链式放电技术,实现了防雷SPD的能量自动协调功能,安装时无需考虑两级电源交流SPD间的距离,t1、一类、一级SPD防雷器可以直接安装于t2、ii、二级防雷浪涌保护器后端,安装更快捷!
易造国产优质浪涌保护器品牌厂家,外壳采用PA66高阻燃绝缘防护材料,符合UL94V-0 RoHS REACH认证,一体式复合型组合设计防震防潮耐高温,易造低压防雷电源专用防雷器、交流雷电雷击电涌SPD模块等浪涌保护器广泛应用于家用、配电箱、配电柜、消防、光伏、通讯、设备、系统、机房、电网、加油站、变电所、工厂、小区、电梯、控制柜、工业、新能源、通讯、建筑、轨道交通、石油石化等多个领域。
杭州易造是国家高新技术企业、杭州市“雏鹰计划”企业,通过了ISO9001、ISO14001、ISO45001、3C等质量管理体系认证,国内专业电源防雷设备生产厂家,拥有全套风电浪涌保护器生产制作技术。主要生产一体式、复合型、单相、三相、两相、直流、混合型等款式,提供不同配电系统对一级浪涌保护器、二级浪涌保护器的1PN、2P、3P、3PN、4P等全系列电源防雷模块,SPD通过了UL、CSA、TUV、CQC、CE等权威认证,1500+规格型号可选择,满足所有低压设备的电涌防护要求。

相关文章:
14. 浪涌保护器漏电流是越小越好吗? 0漏电流的SPD有吗?
18. 浪涌保护器安装时需要注意的一个距离-这个点一定要注意
20. 浪涌保护器接线图—专业防雷解答
25. ul1449认证的浪涌保护器-主回路脱扣装置防雷更稳定
此文关键词: 浪涌保护器如何接线
联系易造
联系易造
CONTACT EYZAO
咨询热线:133-8651-1449
固定电话:0571-89721333
公司邮箱: eyzao@eyzao.com
营销中心:浙江省杭州市萧山区钱江世纪城宁一路9号
我要留言
LEAVE A MESSAGE
推荐产品
产品资讯MORE
雷电防护装置监测预警系统平台说明-点击了解详情【杭州易造】…
2022.06.30
能让你提早发现雷雨临近的“侦查员”出现了!雷电预警系统【易造防雷】…
2022.11.07
2025.05.27
2023.02.17
2024.03.14
2024.04.10
太阳能供电的雷电预警系统的安装接线-来看看专业厂家如何解答【杭州易造】…
2022.02.25
2022.02.26
浪涌保护器漏电流是越小越好吗? 0漏电流的SPD有吗?【易造防雷】…
2022.11.17
2022.04.05
用户评论
我要评论




