易造新闻
不同的接地方式,浪涌保护器怎么选型?-一看便知-易造防雷
GB50054《低压配电设计规范》:低压配电系统有三种接地形式,即IT系统、TT系统、TN系统。
第一个字母表示电源端与地的关系
T:电源变压器中性点直接接地。I:电源变压器中性点不接地,或通过高阻抗接地。
第二个字母表示电气装置的外露可导电部分与地的关系
T:电气装置的外露可导电部分直接接地,此接地点在电气上独立于电源端的接地点。N:电气装置的外露可导电部分与电源端接地点有直接电气连接。
后续字母描述中性线与保护线的关系:S :中性线和保护线分开C :那边中性线和保护线合并(一条导线)
不同的接地方式
浪涌保护器怎么选型?
根据GB50057附录J表J.1.2所示:

其中接线形式1表示SPD安装在RCD的负荷侧,接线形式2代表SPD安装在RCD的电源侧。
TT系统:

如图所示:TT系统SPD安装在RCD的负荷侧时,使用4P接线模式,实现了L线与PE线、N线与PE线之间的共模保护。

如图所示:TT系统SPD安装在RCD的电源侧时,相线和PE线中不能直接连接,接线模式为3P+N模式,4个浪涌保护器中有一个充当了N和PE线之间的共模保护,而另外三个连接在L和N线之间实现的是差模保护。
TN-C系统:

如图所示:TN-C系统N线和PE线合并为一条线,称为PEN线,此时电路系统中实际上为相线和PEN线单独连接,为3P接线模式。
TN-S系统SPD安装在RCD的负荷侧时,使用4P接线模式,SPD安装在RCD的电源侧时,相线和PE线中不能直接连接,连线模式为3P+N模式。
TN-C-S系统:


如图所示:TN-C-S系统前部分为TN-C方式供电,后部分从PEN线中分出N线和PE线。在N与PE线的连接处SPD用3P,在N与PE线分开10m以后安装SPD时用4P,即在N与PE线间增加一个。
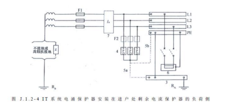
IT系统:

不引出中线的IT系统,实际上只使用了3P的接线模式;引出中线的IT系统SPD安装在RCD的负荷侧时,使用4P接线模式;SPD安装在RCD的电源侧时,相线和PE线中不能直接连接,接线模式为3P+N。

杭州易造科技有限公司生产的浪涌保护器适用于各种接地系统的要求,有500多种规格型号,无损全检技术,灌胶工艺,使得易造的浪涌保护器一致性好,新型一体化度集成设计,使得易造产品拥有大通流量,同时低UP的优点,目前主要用于轨道交通,风力发电,石油化工等行业电力系统,欢迎合作伙伴咨询!
-End-
易造防雷浪涌保护器的主要优势:
易造复合型防雷电源SPD专用浪涌保护器,20年设计寿命,一体式组合低压电源防雷器小体积大通流,低残压、高TOV耐受1800V;MG串联技术,0漏流0续流;密封结构无外泄电弧,不起火。
易造三相、单相、混合型防雷浪涌模块采用链式放电技术,实现了防雷SPD的能量自动协调功能,安装时无需考虑两级电源交流SPD间的距离,t1、一类、一级SPD防雷器可以直接安装于t2、ii、二级防雷浪涌保护器后端,安装更快捷!
易造国产优质浪涌保护器品牌厂家,外壳采用PA66高阻燃绝缘防护材料,符合UL94V-0 RoHS REACH认证,一体式复合型组合设计防震防潮耐高温,易造低压防雷电源专用防雷器、交流雷电雷击电涌SPD模块等浪涌保护器广泛应用于家用、配电箱、配电柜、消防、光伏、通讯、设备、系统、机房、电网、加油站、变电所、工厂、小区、电梯、控制柜、工业、新能源、通讯、建筑、轨道交通、石油石化等多个领域。
杭州易造是国家高新技术企业、杭州市“雏鹰计划”企业,通过了ISO9001、ISO14001、ISO45001、3C等质量管理体系认证,国内专业电源防雷设备生产厂家,拥有全套风电浪涌保护器生产制作技术。主要生产一体式、复合型、单相、三相、两相、直流、混合型等款式,提供不同配电系统对一级浪涌保护器、二级浪涌保护器的1PN、2P、3P、3PN、4P等全系列电源防雷模块,SPD通过了UL、CSA、TUV、CQC、CE等权威认证,1500+规格型号可选择,满足所有低压设备的电涌防护要求。

相关文章:
14. 浪涌保护器漏电流是越小越好吗? 0漏电流的SPD有吗?
18. 浪涌保护器安装时需要注意的一个距离-这个点一定要注意
20. 浪涌保护器接线图—专业防雷解答
25. ul1449认证的浪涌保护器-主回路脱扣装置防雷更稳定
此文关键词: 不同的接地方式,浪涌保护器怎么选型
联系易造
联系易造
CONTACT EYZAO
咨询热线:133-8651-1449
固定电话:0571-89721333
公司邮箱: eyzao@eyzao.com
营销中心:浙江省杭州市萧山区钱江世纪城宁一路9号
我要留言
LEAVE A MESSAGE
推荐产品
产品资讯MORE
防雷预警系统价格揭秘!实惠护航,让安全触手可及!-易造防雷…
2023.06.06
2022.12.01
2023.01.09
2023.02.02
浪涌保护器安装时需要注意的一个距离-这个点一定要注意【杭州易造】…
2022.10.09
2022.05.22
2022.03.03
2022.10.06
什么样的浪涌后备保护器才能真正起到保护作用?点击查看详情-易造防雷…
2023.06.30
雷电预警系统100问(第9集)——其他疑难问题【易造防雷】…
2023.03.19
用户评论
我要评论



